產品概述
HV-APF有源電力濾波器是采用現代電力電子技術和基于高速DSP+CPLD的全數字信號處理技術制成的新型電力諧波治理專用設備,專為解決目前低壓配電系統中普遍存在的諧波污染問題,同時具有濾除諧波、無功補償和三相不平衡調節的功能。尤其電壓隔離型有源濾波器具有更低的功耗,更加穩定的性能,更好的濾波效果。

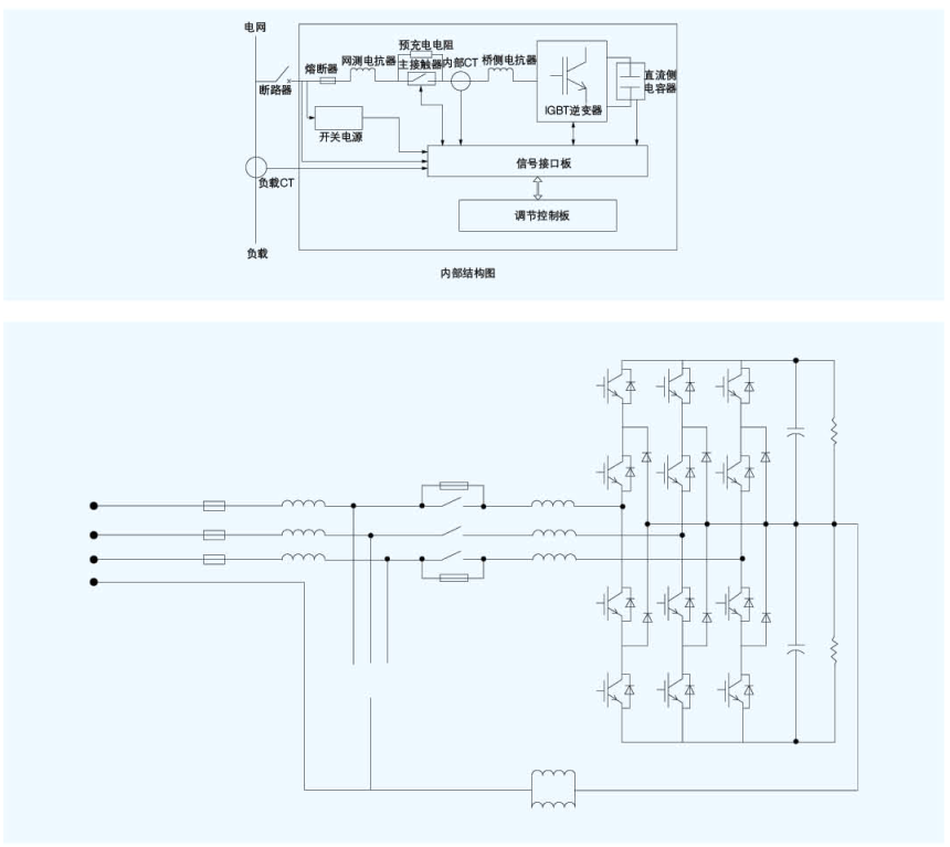
產品原理
HV-APF系列產品通過外部互感器CT實時采集負載電流信號,通過內部檢測電路分離出其中的無功功率與諧波電流大小,并自適應輸出ZVPWM信號給IGBT,通過IGBT逆變出同負載大小相等相位相反電流,實時實現動態無功補償和諧波濾除。
HV-APF系列產品的輸出補償電流是根據系統的無功需求與諧波量動態變化的,因此不會出現過補償,柔性的無功補償不會產生涌流沖擊。HV系列產品可自動限制在100%額定容量輸出,內部過載保護功能充分保證了設備不會過載運行。


